固定式二氧化碳灭火系统安全管理的注意事项
1.船舶固定式二氧化碳灭火系统的特点:
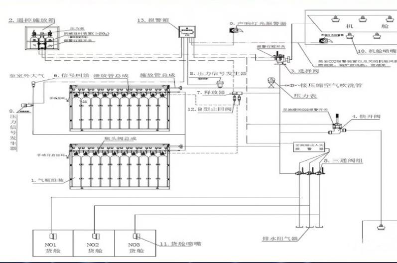
固定式二氧化碳灭火系统(Ultrasonic Liquid Level Indictor SONIC200 100 CO2 Portable便携液面探测器)是船上重要的灭火设施之一
其具有释放方便、灭火效率高等特点,同时二氧化碳气体具有比空气重、不导电、不腐蚀以及扩散性、浸透性强的特性,适用于机舱、泵舱、油漆间和货舱等封闭处所的电气、油类及其它可燃物质的火灾,灭火后对处所内的机械、电气、货物的损伤小。但二氧化碳气体能使人员窒息,其在运输、储存、保养、使用时可能会发生人员受到意外伤害事故,操作人员害怕操作和不熟悉的现象较普遍。消防气体灭火系统 超声波液位计,便携式超声波CO2钢瓶液位计测量仪。
就是在规定时间内将规定数量灭火剂释放到被保护处所(规定的空间内)“三个规定/三个一定”
2.船舶固定式二氧化碳灭火系统的法规要求---2011规则—部分举例
《国际消防安全系统规则》
1、《船舶与海上设施法定检验规则》(国内航行海船法定检验规则 2011)
第2-2章 构造——防火、探火与灭火
1. 一般规定
1.4 固定式气体灭火系统
1.4.1一般要求:
(1) 不准使用其本身或在预期使用条件下会发出一定数量有毒气体足以危害人身的灭火剂;
(2) 灭火剂分配管路的布置以及喷嘴的设置应能保证灭火剂均匀分布;
(3)应设有设施 用以关闭可能使空气进入或气体从被保护处所泄出的所有开口;——被保护处所的关闭装置;
(4) 在任何处所中,空气瓶内含有的自由空气量如因失火释放在该处所内将会严重影响固定灭火系统的有效性,可要求额外增加灭火剂数量;
(5) 对于任何滚装处所和经常有人员在内工作或出入的处所,应设有施放灭火剂的视觉和听觉的自动报警装置。听觉报警应位于在所有机器工作的状态下在整个被保护处所内都能听见的位置,且应通过调节声压或声调使该报警与其他听觉报警区分开来。释放预报警应自动开启,如通过打开释放舱室的门启动。报警所需的时间长短应为撤离该处所所需的时间,但是无论如何在灭火剂被释放前应不少于 20s。普通货物处所及仅配有局部释放装置的小型处所(如压缩机房、油漆间等)不必配备这种报警;UNITORR消防CO2液位计检测仪FM200七氟丙烷二氧化碳液位计指示仪;对于载运闪点不超过 60℃(闭杯)的原油或石油产品液货船的货泵舱,其施放灭火剂的自动声响报警装置若为气动,则供应的空气应为 燥和清洁的;若为电动,则应布置在货泵舱外面,除非使用的是认可的本质安全型的声响报警装置;
——声光报警、报警时间等。
(6) 固定式气体灭火系统的控制系统,应能易于接近和操纵简便,且应成组地安装于尽可能少的处所。该处所应有足够的照明,除主照明以外,还应设有应急照明。其所在的位置应不致为被保护处所的火灾所切断。为了人员的安全,在每一处所应备有指导该系统操纵的说明书;——安装、照明、操作说明等。
(7) 若要求灭火剂数量能保护一处或几处处所,则可供使用的灭火剂数量不必大于被保护的任一处所所需的大数量。该系统应设置常闭控制阀,通过这些阀门将灭火剂直接施放至适当的处所;——设有常闭控制阀(主阀)。

(8) 应备有超声波液面指示仪UUNITOR消防CO2液位计检测仪FM200七氟丙烷二氧化碳液位计指示仪设施,以便船员能安全地检查容器内的灭火剂数量;——工具

(9) 当灭火剂储存在被保护处所外面时,则应储存在前方防撞舱壁之后的舱室内,且该舱室不作它用。这种储存室的任何入口应好能从开敞甲板进入,并应独立于被保护处所。如果不能从开敞甲板进入,则位于甲板以下储存处所的位置不得低于开敞甲板下一层,并应能由梯道或梯子从开敞甲板直接进出。对于位于甲板下或未设置在从开敞甲板进出布置的处所,还应设有机械通风装置,用于排出处所底部的废气。通风装置应具有至少每小时换气 6 次的能力。出入口的门应向外开启,并在这种储存室和毗连围闭处所之间构成限界面的舱壁和甲板,包括门和关闭其任何开口的其他装置,均应为气密。在应用本章 2.4、3.2、4.4 中各表时,上述储存室应视作控制站;——二氧化碳(CO2 )间的相关要求
二氧化碳(CO2 )间的相关要求

(10) 被保护处所中所有排放管、附件和喷嘴应采用熔点温度超过925℃的材料。管路及其相关附件应有足够的支撑;——排放管、附件和喷嘴的相关要求
瓶头阀种类

(11) 应在排放管路上设有可进行本章 1.4.2(11)④要求的畅通性试验的附件。——畅通性试验的附件

(12) 船上应适当存有符合本章要求的备件。——备件(瓶头阀、软管/硬管、安全膜片等)
CO2系统备件(瓶头阀、软管/硬管、安全膜片等)

1.4.2 高压二氧化碳(CO2 )系统:
(1)-(6)二氧化碳量的具体计算;
(7) 机器处所的固定管系应能使 85%的气体在 2min 内注入该处所;
(8) 二氧化碳系统的控制装置应符合如下规定:① 应设置两套独立的控制装置,以将二氧化碳(CO2 Portable Ultrasonic Liquid Level Indicator 便携式超声波CO2钢瓶液位计测量仪 SONIC100 200)释放至被保护处所并确保报警装置的启动。一套控制装置应用于开启安装在将气体输送至被保护处所的管路上的阀门,另一套控制装置应用于将气体从所储存的容器中排出。应采取切实可行的措施以确保其按照此顺序操作;
② 两套控制装置应布置在一个释放箱内,在该箱的特定部位应设醒目标记。如果装有控制装置的释放箱上加锁,用于开启箱子的钥匙应置于设有玻璃面板的盒子里,该盒子应置放在释放箱附近的明显位置处。
上面两图中显示的是一个动作直接释放CO2,就不符合两个控制装置的要求下面是目前船上常见的3种CO2释放控制方式,前两种符合要求,第三种不符合新的要求:

报警测试按钮
CO2释放控制箱安装报警测试按钮
(9) 二氧化碳容器:
① 二氧化碳容器应为无缝钢瓶,其水压试验压力为 24.5MPa。每一钢瓶均应具有合格证件。瓶体上应清晰的刻下标明以下各项:容器重量、容积、CO2钢瓶超声波液位计 UNITORR T4 卡拉斯卡 PLI DIGITAL液位仪 IMPA 652776 SONIC100 卢瑟福CO2钢瓶超声波液位仪、液压试验压力、试验日期、出厂编号和检验印记;
② 容器本体与“二氧化碳(或 CO 2 )”字样应漆以有醒目区别的不同颜色,建议容器本体可采用红色,字样采用黄色,印记处采用白色,以方便检查;
③ 容器充装率应不大于 0.67kg/L;
④ 瓶头阀应装1根直径为 10~12mm 且尾部为斜切口的钢质或铜质管,该管应伸至接近容器底部;
⑤ 瓶头阀应有安全膜片或其他经认可的安全装置。安全膜片应在压力达到 18.6±1Mpa时自行破裂。安全膜片破裂后,自瓶头阀释放的灭火剂应由管路引至室外开敞甲板的大气中。如CO2钢瓶储存室具有良好的通风能力并能保证储存室温度不超过45℃(如设有温度报警装置),则可免设上述排气管。采用其他安全装置时,也应满足这一要求;⑥ 瓶头阀应由锻造青铜、不锈钢或其他适当材料制成;
⑦ 二氧化碳瓶应根据各被保护舱室对二氧化碳的需要量进行分组。如由人力直接开启施放装置,则每组瓶数不应超过12瓶。
(10) 二氧化碳管路:
①每只二氧化碳瓶的瓶头阀至集合管的连接管上应装有止回阀;
② 集合管至分配阀箱的总管上应装有量程为 0~24.5MPa 的压力表;
③ 二氧化碳(CColtraco LUSOFO SONIC200 PORTAGAUGER PORTAMARINER 595Q13-56-00 SONIC200C液位)管路不得通过起居处所,并应避免通过服务处所, 如无法避免,则通过服务处所的管子不得有可拆接头;
④通往A 类机器处所和货泵舱的二氧化碳管应有足够的尺寸和喷嘴数量,以使上述处所所需二氧化碳量的 85%能在 2min 内喷人被保护处所;
⑤通往上述④所述处所的二氧化碳管的直径,应根据预计输送的二氧化碳数量来决定,相应管径所能通过的大二氧化碳数量示于表 1.4.2(10)⑤中;
⑥二氧化碳系统钢管的小壁厚,应符合表1.4.2(10)⑥的规定。为了选用符合标准的钢管,其壁厚可允许与表列壁厚稍有差异;
⑦ 通往装货处所的二氧化碳管的管径不得小于20mm。通往喷嘴的支管管径不得小于15mm;
⑧ 在总管或分配阀箱上,应装设压缩空气吹洗管接头;
⑨ 二氧化碳管应为无缝钢管。
二、船舶固定式二氧化碳灭火系统(SONIC100A卢瑟福CColtraco@P/N:2290334-COMXPSE@P/N:2290334-COMXPLUS)安全管理的注意事项

2.2 船舶固定式二氧化碳灭火系统的常见问题(缺陷)
1)未按检验规则要求设置二氧化碳灭火系统,未按《二氧化碳灭火系统系统布置图》要求设置分管系;
2)船上未持有提供货舱二氧化碳灭火系统的《免除证书》(如果货舱未配备CO2);
3)二氧化碳灭火系统称重(ShipServ船用物料手册IMPA MSG P/N: 652776 超声波 PPortagauger二氧化碳液位计液位指示仪CO2)报告、管系吹通、气密试验报告过期,或未进行相应的检测;
4)二氧化碳灭火系统操作说明书与实船不符、不完整、未张贴等;
5)二氧化碳灭火剂量不足;存在空瓶;二氧化碳灭火系统计算书不在船;未设置二氧化碳灭火系统钢瓶瓶头阀泄漏管系;
6)二氧化碳灭火系统总管(或分配箱上)未装量程为0-24.5Mpa的压力表 吹洗管接头等;
7)二氧化碳灭火系统未经船检机构进行产品检验,使用非船检机构认可的产品,使用老旧钢瓶和旧管系拼装二氧化碳灭火系统;
8)二氧化碳灭火系统瓶头阀启动管系与施放阀启动控制装置未独立设置;由人力直接开启施放装置的,每组瓶数超过12瓶;
9)二氧化碳灭火系统钢瓶各瓶头阀安装保险销、包扎铅丝未拆除(需要拔出保险销的瓶头阀)等;
10)二氧化碳灭火系统施放前自动声响报警故障,声响报警装置未能达到自动报警的功能;
11)二氧化碳灭火系统管系有部分穿过起居处所;分支管出现断裂、锈蚀、堵塞;管系出现泄漏现象(表接头、阀件、附件接头)等;
12)二氧化碳灭火系统管系连接处松动、漏气与坏损;支撑部件松动、脱焊等;
13)二氧化碳间照明故障(普通、应急、灯座、灯罩等);
14)二氧化碳间通风系统故障(风机、控制开关、风筒坏损、风筒布置、关闭装置不能有效关闭等);
15)二氧化碳间的布置(舱壁、甲板防火分隔的完整性;材料的缺失、脱落、坏损等);
16)二氧化碳灭火系统遥控释放启动气瓶压力不足、控制箱行程开关失效等;
17)船上未配备二氧化碳灭火系统的称重工具P/N:2290334-COMXPLUS@PPORTALEVEL MAX@LUSOFO.COM、相关备件;
18)船长、三副等陪同检查人员不熟悉船上二氧化碳灭火系统(相关的操作、主阀/瓶头阀开启的顺序等);


2.3 相关启示
2.3.1船舶二氧化碳灭火系统管理的启示:二氧化碳灭火系统是船舶重要的消防设施,在检查实践中,往往存在一些突出问题;如:管系松动、漏气、报警故障,启动瓶无压力、使用非船检机构认可产品,以及检测试验过期、检测单位未按要求进行实际检测等现象;特别是船上责任人员不熟悉系统工作原理等,怕万一被误放的心理原因,不敢去碰,更谈不上按要求进行维护保养,及时消除问题/缺陷。为避免船舶在营运期间,在主管机关的船舶安全检查中被查出,导致船舶被滞留,耽误船期。因此,建议船公司与船舶做好如下工作:
2.3.1.1应该选择信誉好的检测单位,督促检测单位按要求进行检测和试验,并且消除存在的问题/缺陷,严把初始关;
2.3.1.2公司应督促船上应妥善保存好相应的证书、报告,并及时安排好检测工作,避免发生过期或遗漏等情况。船上特别需注意二氧化碳灭火系统的管系试压报告、检测报告等间隔期较长的报告,应妥善保存好,对于已过期的报告应另行保存。检修、检测快到期设备,应提前与公司主管部门安排好设备及其系统的检测作。
2.3.1.3公司应对负责船舶二氧化碳灭火系统操作和维护的责任船员进行培训,使其真正掌握。如公司没有培训能力,可以邀请生产厂家或检测单位来培训,同时考虑到目前船员流动性较频繁,在对相关船员进行培训时,应好拍成视频,以便新上任的船员进行学习。
2.3.1.4船舶二氧化碳灭火系统(二氧化碳液位检测仪FE-36六氟丙烷消防CO2液位测量仪液面指示计仪、消防气体灭火系统超声波液位计便携式超声波CO2钢瓶液位计测量仪)的日常维护保养和检查通常由三副负责,其是否能按相关要求做到,直接关系到船舶消防设备能否处于即刻可用状态。目前存在这方面的问题较为突出(近期事故说明了这一点),主要是三副本身不熟悉该系统的基本原理以及对其的维护保养,检查流于形式,仅在检查表上打钩,也没关注设备及其系统的实际情况。因此,建议船上应对三副进行有效培训,如船上无能力培训应申请公司安排培训资源,或提供相应培训资料。船长应按公司安全管理体系的相关要求,严格对三副的维护保养进行跟踪和核查,保证按要求对二氧化碳灭火系统进行维护保养与检查。
2.3.1.5公司与船舶应严格按相关公约、规则(北约编码:6680-99-275-5292@LUSOFO.COM)与公司安全管理体系的相关要求,船舶在进行消防演习(二氧化碳灭火系统方面)时定要真正落实到位。建议船舶主要船员,尤其是责任人员(船长、三副、大副)应加强国际、国内相关公约、规则的学习,了解与熟知相关公约、规则在这方面的相关要求。在每次演习前先进行理论上的讲解,从原理、为什么要这样等方面给船员解释透彻、清楚,明确各自在“应变部署中”的职责分工,再进行实际操作演习。而不是为了演习而演习,仅停留在记录上。使船员真正在实际操作能力与专业素质方面得到提高。
2.3.1.6船舶消防设备是船舶安全检查的必查项目,ShipServ船用物料手册IMPA MSG P/N: 652776,船舶二氧化碳灭火系统也是存在缺陷较多和导致滞留的项目,因此,在船上迎接主管机关船舶安全检查前,建议船上对二氧化碳灭火系统进行自查,及时消除问题/缺陷,以免检查时被发现,被作为缺陷处理,甚至可能导致船舶被滞留。
卢瑟福NSN:6625-99-257-8336
